SF防爆系列泵是我公司自行研制的不锈钢离心式耐腐蚀防爆微型电泵,泵的叶轮采用半 开式结构形式,由于产品集优良结构、性能、造型于一身,兼过流零部件及连接架采用 优质不锈钢材料制造,所以,两系列产品具有耐腐蚀性能可靠,电机采用YB2系列隔爆 型电机系列为赶超目标,结合我国防爆电机行业和市场的实际情况设计开发的防爆电机基本系列,是YB系列的更新换代产品使用维护方便、结构紧凑、能耗低、密封性能好等一系列优点。本系列电机的防爆性能符合GB3836.1-2000《爆炸性气体环境用电气设备 第1部分:通用要求》和GB3836.2-2000《爆炸性气体环境用电气设备 第2部分:隔爆型"D"》的规定,亦符合IEC79-1和DIN EN500 14~50020的规定,制成隔爆型,防爆标志 为EXD LL BT4,适用于有爆炸性气体混合物存在的场所,其中EXDL适用于有甲烷或煤尘存在的矿井下(非采掘工作面)环境中。
该系列可输送温度不高于103℃,含有细小软颗粒或纤维质,带腐蚀性或有卫生要求的液体,广泛适用于食品、饮料、医药、污水处理、化工、电镀、漂染、精细化工等行业使用。
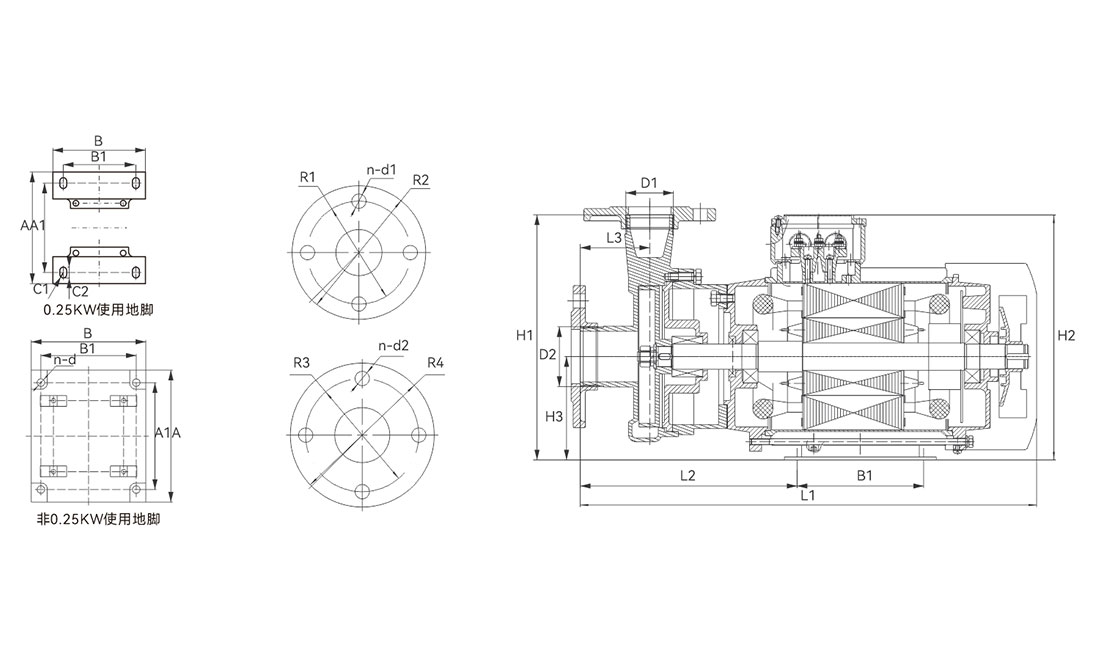
叶轮采取半开式结构
转子轴全部采用摩擦焊接工艺316接轴
电机采用高温线、F级绝缘等级,耐高温≤100°
有硅溶胶和覆膜砂两种铸造工艺,可根据自身 需求选择
| 序号 | 型号 Modle | 流量 (m³/h) |
扬程 (m) |
功率 (kW) |
电压 (V) |
口径 (mm) |
转速 (r/min) |
H1 | H2 | H3 | L1 | L2 | L3 | D1 | D2 | A | A1 | B | B1 | C1 | C2 | R1 | R2 | R3 | R4 | n-d | n-d1 | n-d2 |
| 1 | 25SF2-10-0.25(D) | 2 | 10 | 0.25 | 220/380 | 25 | 2860 | 160 | 188 | 69 | 302 | 143 | 38 | G3/4 | G1 | 125 | 99.5 | 101 | 80 | R3.5 | 11 | 75 | 105 | 85 | 115 | / | 4-Φ14 | 4-Φ14 |
| 2 | 40SF3-14-0.55(D) | 3 | 14 | 0.55 | 220/380 | 40 | 2860 | 191 | 207 | 81 | 361 | 164 | 49 | G1 | G1 | 130 | 90 | 135 | 112 | / | / | 85 | 115 | 110 | 145 | 4-Φ7 | 4-Φ14 | 4-Φ18 |
| 3 | 40SF3-16-0.75(D) | 3 | 16 | 0.75 | 220/380 | 40 | 2860 | 191 | 207 | 81 | 361 | 164 | 49 | G1 | G11/2 | 130 | 90 | 135 | 112 | / | / | 85 | 115 | 110 | 145 | 4-Φ7 | 4-Φ14 | 4-Φ18 |
| 4 | 50SF6-18-1.1(D) | 6 | 18 | 1.1 | 220/380 | 50 | 2860 | 191 | 241 | 95 | 428 | 202 | 63 | G11/2 | G2 | 173 | 140 | 150 | 125 | / | / | 85 | 145 | 125 | 160 | 4-Φ10 | 4-Φ18 | 4-Φ18 |
| 5 | 50SF6-20-1.5(D) | 6 | 20 | 1.5 | 220/380 | 50 | 2860 | 228 | 241 | 95 | 428 | 202 | 63 | G11/2 | G2 | 173 | 140 | 150 | 125 | / | / | 110 | 145 | 125 | 160 | 4-Φ10 | 4-Φ18 | 4-Φ18 |
| 6 | 50SF15-18-2.2(D) | 15 | 18 | 2.2 | 220/380? | 50 | 2860 | 228 | 228 | 102 | 452 | 214 | 68 | G11/2 | G2 | 173 | 140 | 150 | 125 | / | / | 110 | 145 | 125 | 160 | 4-Φ10 | 4-Φ18 | 4-Φ18 |

